Opening Hour: (10.00-19.00)

Address

Hukukçular Towers Cevizli Mh. Mustafa Kemal Cd.
No:66 A Blok Kat:1 34865 Kartal / İstanbul

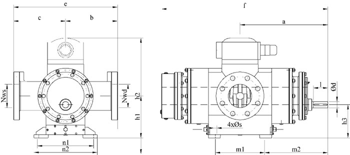
Twin Screw Pumps

Home > Products > Twin Screw Pumps

Twin Screw Pumps


Self-priming rotary displacement pumps in a compact range with external bearings without touching medium. Due to external timing gears there is not metal -to-metal contact with the between screw . Regarding to our design, the pump makes suction from four points Liquid by screws carry towards the pressure side. Provides a pulsing flow of the pump is running. Hydraulic axial loads balanced to zero.

Advantages of Twin Screw Pump

Wide range of applications, Self-priming, Pumped capacity proportional to speed, Compact construction, Direct drive without speed-reducer possible, Easy maintenance, For almost all media and fluids, High viscosities possible, Low pulsations, Low noise level, Constant flow on varying pressures and volumes, Very good suction performance.

Scopes of Application

Tank Terminal, Petro Chemicals, Marine, Iron-Steel Industries, Textile Industries, Power Industries, Refineries, Special Applications.












Are you looking for a pump for your plant ?